A photovoltaic system, also PV system or solar power system, is a power system designed to supply usable solar power by means of photovoltaics. It consists of an arrangement of several components, including solar panels to absorb and convert sunlight into electricity, a solar inverter to change the electric current from DC to AC, as well as mounting, cabling and other electrical accessories to set up a working system. It may also use a solar tracking system to improve the system's overall performance and include an integrated battery solution, as prices for storage devices are expected to decline. Strictly speaking, a solar array only encompasses the ensemble of solar panels, the visible part of the PV system, and does not include all the other hardware, often summarized as balance of system (BOS). Moreover, PV systems convert light directly into electricity and shouldn't be confused with other technologies, such as concentrated solar power or solar thermal, used for heating and cooling.
PV systems range from small, rooftop-mounted or building-integrated systems with capacities from a few to several tens of kilowatts, to large utility-scale power stations of hundreds of megawatts. Nowadays, most PV systems are grid-connected, while off-grid or stand-alone systems only account for a small portion of the market.
Operating silently and without any moving parts or environmental emissions, PV systems have developed from being niche market applications into a mature technology used for mainstream electricity generation. A rooftop system recoups the invested energy for its manufacturing and installation within 0.7 to 2 years and produces about 95 percent of net clean renewable energy over a 30-year service lifetime.
Due to the exponential growth of photovoltaics, prices for PV systems have rapidly declined in recent years. However, they vary by market and the size of the system. In 2014, prices for residential 5-kilowatt systems in the United States were around $3.29 per watt, while in the highly penetrated German market, prices for rooftop systems of up to 100 kW declined to EUR1.24 per watt. Nowadays, solar PV modules account for less than half of the system's overall cost, leaving the rest to the remaining BOS-components and to soft costs, which include customer acquisition, permitting, inspection and interconnection, installation labor and financing costs.

Maps, Directions, and Place Reviews
Modern system
Overview
A photovoltaic system converts the sun's radiation into usable electricity. It comprises the solar array and the balance of system components. PV systems can be categorized by various aspects, such as, grid-connected vs. stand alone systems, building-integrated vs. rack-mounted systems, residential vs. utility systems, distributed vs. centralized systems, rooftop vs. ground-mounted systems, tracking vs. fixed-tilt systems, and new constructed vs. retrofitted systems. Other distinctions may include, systems with microinverters vs. central inverter, systems using crystalline silicon vs. thin-film technology, and systems with modules from Chinese vs. European and U.S.-manufacturers.
About 99 percent of all European and 90 percent of all U.S. solar power systems are connected to the electrical grid, while off-grid systems are somewhat more common in Australia and South Korea. PV systems rarely use battery storage. This may change soon, as government incentives for distributed energy storage are being implemented and investments in storage solutions are gradually becoming economically viable for small systems. A solar array of a typical residential PV system is rack-mounted on the roof, rather than integrated into the roof or facade of the building, as this is significantly more expensive. Utility-scale solar power stations are ground-mounted, with fixed tilted solar panels rather than using expensive tracking devices. Crystalline silicon is the predominant material used in 90 percent of worldwide produced solar modules, while rival thin-film has lost market-share in recent years. About 70 percent of all solar cells and modules are produced in China and Taiwan, leaving only 5 percent to European and US-manufacturers. The installed capacity for both, small rooftop systems and large solar power stations is growing rapidly and in equal parts, although there is a notable trend towards utility-scale systems, as the focus on new installations is shifting away from Europe to sunnier regions, such as the Sunbelt in the U.S., which are less opposed to ground-mounted solar farms and cost-effectiveness is more emphasized by investors.
Driven by advances in technology and increases in manufacturing scale and sophistication, the cost of photovoltaics is declining continuously. There are several million PV systems distributed all over the world, mostly in Europe, with 1.4 million systems in Germany alone- as well as North America with 440,000 systems in the United States, The energy conversion efficiency of a conventional solar module increased from 15 to 20 percent over the last 10 years and a PV system recoups the energy needed for its manufacture in about 2 years. In exceptionally irradiated locations, or when thin-film technology is used, the so-called energy payback time decreases to one year or less. Net metering and financial incentives, such as preferential feed-in tariffs for solar-generated electricity, have also greatly supported installations of PV systems in many countries. The levelised cost of electricity from large-scale PV systems has become competitive with conventional electricity sources in an expanding list of geographic regions, and grid parity has been achieved in about 30 different countries.
As of 2015, the fast-growing global PV market is rapidly approaching the 200 GW mark - about 40 times the installed capacity of 2006. Photovoltaic systems currently contribute about 1 percent to worldwide electricity generation. Top installers of PV systems in terms of capacity are currently China, Japan and the United States, while half of the world's capacity is installed in Europe, with Germany and Italy supplying 7% to 8% of their respective domestic electricity consumption with solar PV. The International Energy Agency expects solar power to become the world's largest source of electricity by 2050, with solar photovoltaics and concentrated solar thermal contributing 16% and 11% to the global demand, respectively.
Grid-connection
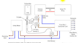
A grid connected system is connected to a larger independent grid (typically the public electricity grid) and feeds energy directly into the grid. This energy may be shared by a residential or commercial building before or after the revenue measurement point. The difference being whether the credited energy production is calculated independently of the customer's energy consumption (feed-in tariff) or only on the difference of energy (net metering). Grid connected systems vary in size from residential (2-10 kWp) to solar power stations (up to 10s of MWp). This is a form of decentralized electricity generation. The feeding of electricity into the grid requires the transformation of DC into AC by a special, synchronising grid-tie inverter. In kilowatt-sized installations the DC side system voltage is as high as permitted (typically 1000V except US residential 600 V) to limit ohmic losses. Most modules (60 or 72 crystalline silicon cells) generate 160 W to 300 W at 36 volts. It is sometimes necessary or desirable to connect the modules partially in parallel rather than all in series. One set of modules connected in series is known as a 'string'.
Scale of system
Photovoltaic systems are generally categorized into three distinct market segments: residential rooftop, commercial rooftop, and ground-mount utility-scale systems. Their capacities range from a few kilowatts to hundreds of megawatts. A typical residential system is around 10 kilowatts and mounted on a sloped roof, while commercial systems may reach a megawatt-scale and are generally installed on low-slope or even flat roofs. Although rooftop mounted systems are small and display a higher cost per watt than large utility-scale installations, they account for the largest share in the market. There is, however, a growing trend towards bigger utility-scale power plants, especially in the "sunbelt" region of the planet.
Performance
Uncertainties in revenue over time relate mostly to the evaluation of the solar resource and to the performance of the system itself. In the best of cases, uncertainties are typically 4% for year-to-year climate variability, 5% for solar resource estimation (in a horizontal plane), 3% for estimation of irradiation in the plane of the array, 3% for power rating of modules, 2% for losses due to dirt and soiling, 1.5% for losses due to snow, and 5% for other sources of error. Identifying and reacting to manageable losses is critical for revenue and O&M efficiency. Monitoring of array performance may be part of contractual agreements between the array owner, the builder, and the utility purchasing the energy produced. Recently, a method to create "synthetic days" using readily available weather data and verification using the Open Solar Outdoors Test Field make it possible to predict photovoltaic systems performance with high degrees of accuracy. This method can be used to then determine loss mechanisms on a local scale - such as those from snow or the effects of surface coatings (e.g. hydrophobic or hydrophilic) on soiling or snow losses. (Although in heavy snow environments with severe ground interference can result in annual losses from snow of 30%.) Access to the Internet has allowed a further improvement in energy monitoring and communication. Dedicated systems are available from a number of vendors. For solar PV systems that use microinverters (panel-level DC to AC conversion), module power data is automatically provided. Some systems allow setting performance alerts that trigger phone/email/text warnings when limits are reached. These solutions provide data for the system owner and the installer. Installers are able to remotely monitor multiple installations, and see at-a-glance the status of their entire installed base.
Solar Pv Diagram Video
Components
A photovoltaic system for residential, commercial, or industrial energy supply consists of the solar array and a number of components often summarized as the balance of system (BOS). This term is synonymous with "Balance of Plant" q.v. at https://en.wikipedia.org/wiki/Balance_of_plant. BOS-components include power-conditioning equipment and structures for mounting, typically one or more DC to AC power converters, also known as inverters, an energy storage device, a racking system that supports the solar array, electrical wiring and interconnections, and mounting for other components.
Optionally, a balance of system may include any or all of the following: renewable energy credit revenue-grade meter, maximum power point tracker (MPPT), battery system and charger, GPS solar tracker, energy management software, solar irradiance sensors, anemometer, or task-specific accessories designed to meet specialized requirements for a system owner. In addition, a CPV system requires optical lenses or mirrors and sometimes a cooling system.
The terms "solar array" and "PV system" are often incorrectly used interchangeably, despite the fact that the solar array does not encompass the entire system. Moreover, "solar panel" is often used as a synonym for "solar module", although a panel consists of a string of several modules. The term "solar system" is also an often used misnomer for a PV system.
Solar array
Conventional c-Si solar cells, normally wired in series, are encapsulated in a solar module to protect them from the weather. The module consists of a tempered glass as cover, a soft and flexible encapsulant, a rear backsheet made of a weathering and fire-resistant material and an aluminium frame around the outer edge. Electrically connected and mounted on a supporting structure, solar modules build a string of modules, often called solar panel. A solar array consists of one or many such panels. A photovoltaic array, or solar array, is a linked collection of solar panels. The power that one module can produce is seldom enough to meet requirements of a home or a business, so the modules are linked together to form an array. Most PV arrays use an inverter to convert the DC power produced by the modules into alternating current that can power lights, motors, and other loads. The modules in a PV array are usually first connected in series to obtain the desired voltage; the individual strings are then connected in parallel to allow the system to produce more current. Solar panels are typically measured under STC (standard test conditions) or PTC (PVUSA test conditions), in watts. Typical panel ratings range from less than 100 watts to over 400 watts. The array rating consists of a summation of the panel ratings, in watts, kilowatts, or megawatts.
A typical "150 watt" PV module is about a square meter in size. Such a module may be expected to produce 0.75 kilowatt-hour (kWh) every day, on average, after taking into account the weather and the latitude, for an insolation of 5 sun hours/day. In the last 10 years, the efficiency of average commercial wafer-based crystalline silicon modules increased from about 12% to 16% and CdTe module efficiency increased from 9% to 13% during same period. Module output and life degraded by increased temperature. Allowing ambient air to flow over, and if possible behind, PV modules reduces this problem. Effective module lives are typically 25 years or more. The payback period for an investment in a PV solar installation varies greatly and is typically less useful than a calculation of return on investment. While it is typically calculated to be between 10 and 20 years, the financial payback period can be far shorter with incentives.
Due to the low voltage of an individual solar cell (typically ca. 0.5V), several cells are wired (also see copper used in PV systems) in series in the manufacture of a "laminate". The laminate is assembled into a protective weatherproof enclosure, thus making a photovoltaic module or solar panel. Modules may then be strung together into a photovoltaic array. In 2012, solar panels available for consumers can have an efficiency of up to about 17%, while commercially available panels can go as far as 27%. It has been recorded that a group from The Fraunhofer Institute for Solar Energy Systems have created a cell that can reach 44.7% efficiency, which makes scientists' hopes of reaching the 50% efficiency threshold a lot more feasible.
Photovoltaic cell electrical output is extremely sensitive to shading. The effects of this shading are well known. When even a small portion of a cell, module, or array is shaded, while the remainder is in sunlight, the output falls dramatically due to internal 'short-circuiting' (the electrons reversing course through the shaded portion of the p-n junction). If the current drawn from the series string of cells is no greater than the current that can be produced by the shaded cell, the current (and so power) developed by the string is limited. If enough voltage is available from the rest of the cells in a string, current will be forced through the cell by breaking down the junction in the shaded portion. This breakdown voltage in common cells is between 10 and 30 volts. Instead of adding to the power produced by the panel, the shaded cell absorbs power, turning it into heat. Since the reverse voltage of a shaded cell is much greater than the forward voltage of an illuminated cell, one shaded cell can absorb the power of many other cells in the string, disproportionately affecting panel output. For example, a shaded cell may drop 8 volts, instead of adding 0.5 volts, at a particular current level, thereby absorbing the power produced by 16 other cells. It is, thus important that a PV installation is not shaded by trees or other obstructions.
Several methods have been developed to determine shading losses from trees to PV systems over both large regions using LiDAR, but also at an individual system level using sketchup. Most modules have bypass diodes between each cell or string of cells that minimize the effects of shading and only lose the power of the shaded portion of the array. The main job of the bypass diode is to eliminate hot spots that form on cells that can cause further damage to the array, and cause fires. Sunlight can be absorbed by dust, snow, or other impurities at the surface of the module. This can reduce the light that strikes the cells. In general these losses aggregated over the year are small even for locations in Canada. Maintaining a clean module surface will increase output performance over the life of the module. Google found that cleaning the flat mounted solar panels after 15 months increased their output by almost 100%, but that the 5% tilted arrays were adequately cleaned by rainwater.
Solar insolation is made up of direct, diffuse, and reflected radiation. The absorption factor of a PV cell is defined as the fraction of incident solar irradiance that is absorbed by the cell. At high noon on a cloudless day at the equator, the power of the sun is about 1 kW/m², on the Earth's surface, to a plane that is perpendicular to the sun's rays. As such, PV arrays can track the sun through each day to greatly enhance energy collection. However, tracking devices add cost, and require maintenance, so it is more common for PV arrays to have fixed mounts that tilt the array and face solar noon (approximately due south in the Northern Hemisphere or due north in the Southern Hemisphere). The tilt angle, from horizontal, can be varied for season, but if fixed, should be set to give optimal array output during the peak electrical demand portion of a typical year for a stand-alone system. This optimal module tilt angle is not necessarily identical to the tilt angle for maximum annual array energy output. The optimization of the photovoltaic system for a specific environment can be complicated as issues of solar flux, soiling, and snow losses should be taken into effect. In addition, recent work has shown that spectral effects can play a role in optimal photovoltaic material selection. For example, the spectral albedo can play a significant role in output depending on the surface around the photovoltaic system and the type of solar cell material. For the weather and latitudes of the United States and Europe, typical insolation ranges from 4 kWh/m²/day in northern climes to 6.5 kWh/m²/day in the sunniest regions. A photovoltaic installation in the southern latitudes of Europe or the United States may expect to produce 1 kWh/m²/day. A typical 1 kW photovoltaic installation in Australia or the southern latitudes of Europe or United States, may produce 3.5-5 kWh per day, dependent on location, orientation, tilt, insolation and other factors. In the Sahara desert, with less cloud cover and a better solar angle, one could ideally obtain closer to 8.3 kWh/m²/day provided the nearly ever present wind would not blow sand onto the units. The area of the Sahara desert is over 9 million km². 90,600 km², or about 1%, could generate as much electricity as all of the world's power plants combined.
Mounting
Modules are assembled into arrays on some kind of mounting system, which may be classified as ground mount, roof mount or pole mount. For solar parks a large rack is mounted on the ground, and the modules mounted on the rack. For buildings, many different racks have been devised for pitched roofs. For flat roofs, racks, bins and building integrated solutions are used. Solar panel racks mounted on top of poles can be stationary or moving, see Trackers below. Side-of-pole mounts are suitable for situations where a pole has something else mounted at its top, such as a light fixture or an antenna. Pole mounting raises what would otherwise be a ground mounted array above weed shadows and livestock, and may satisfy electrical code requirements regarding inaccessibility of exposed wiring. Pole mounted panels are open to more cooling air on their underside, which increases performance. A multiplicity of pole top racks can be formed into a parking carport or other shade structure. A rack which does not follow the sun from left to right may allow seasonal adjustment up or down.
Cabling
Due to their outdoor usage, solar cables are specifically designed to be resistant against UV radiation and extremely high temperature fluctuations and are generally unaffected by the weather. A number of standards specify the usage of electrical wiring in PV systems, such as the IEC 60364 by the International Electrotechnical Commission, in section 712 "Solar photovoltaic (PV) power supply systems", the British Standard BS 7671, incorporating regulations relating to microgeneration and photovoltaic systems, and the US UL4703 standard, in subject 4703 "Photovoltaic Wire".
Tracker
A solar tracking system tilts a solar panel throughout the day. Depending on the type of tracking system, the panel is either aimed directly at the sun or the brightest area of a partly clouded sky. Trackers greatly enhance early morning and late afternoon performance, increasing the total amount of power produced by a system by about 20-25% for a single axis tracker and about 30% or more for a dual axis tracker, depending on latitude. Trackers are effective in regions that receive a large portion of sunlight directly. In diffuse light (i.e. under cloud or fog), tracking has little or no value. Because most concentrated photovoltaics systems are very sensitive to the sunlight's angle, tracking systems allow them to produce useful power for more than a brief period each day. Tracking systems improve performance for two main reasons. First, when a solar panel is perpendicular to the sunlight, it receives more light on its surface than if it were angled. Second, direct light is used more efficiently than angled light. Special Anti-reflective coatings can improve solar panel efficiency for direct and angled light, somewhat reducing the benefit of tracking.
Trackers and sensors to optimise the performance are often seen as optional, but tracking systems can increase viable output by up to 45%. PV arrays that approach or exceed one megawatt often use solar trackers. Accounting for clouds, and the fact that most of the world is not on the equator, and that the sun sets in the evening, the correct measure of solar power is insolation - the average number of kilowatt-hours per square meter per day. For the weather and latitudes of the United States and Europe, typical insolation ranges from 2.26 kWh/m²/day in northern climes to 5.61 kWh/m²/day in the sunniest regions.
For large systems, the energy gained by using tracking systems can outweigh the added complexity (trackers can increase efficiency by 30% or more). For very large systems, the added maintenance of tracking is a substantial detriment. Tracking is not required for flat panel and low-concentration photovoltaic systems. For high-concentration photovoltaic systems, dual axis tracking is a necessity. Pricing trends affect the balance between adding more stationary solar panels versus having fewer panels that track. When solar panel prices drop, trackers become a less attractive option.
Inverter
Systems designed to deliver alternating current (AC), such as grid-connected applications need an inverter to convert the direct current (DC) from the solar modules to AC. Grid connected inverters must supply AC electricity in sinusoidal form, synchronized to the grid frequency, limit feed in voltage to no higher than the grid voltage and disconnect from the grid if the grid voltage is turned off. Islanding inverters need only produce regulated voltages and frequencies in a sinusoidal waveshape as no synchronisation or co-ordination with grid supplies is required.
A solar inverter may connect to a string of solar panels. In some installations a solar micro-inverter is connected at each solar panel. For safety reasons a circuit breaker is provided both on the AC and DC side to enable maintenance. AC output may be connected through an electricity meter into the public grid. The number of modules in the system determines the total DC watts capable of being generated by the solar array; however, the inverter ultimately governs the amount of AC watts that can be distributed for consumption. For example, a PV system comprising 11 kilowatts DC (kWDC) worth of PV modules, paired with one 10-kilowatt AC (kWAC) inverter, will be limited to the inverter's output of 10 kW. As of 2014, conversion efficiency for state-of-the-art converters reached more than 98 percent. While string inverters are used in residential to medium-sized commercial PV systems, central inverters cover the large commercial and utility-scale market. Market-share for central and string inverters are about 50 percent and 48 percent, respectively, leaving less than 2 percent to micro-inverters.
Maximum power point tracking (MPPT) is a technique that grid connected inverters use to get the maximum possible power from the photovoltaic array. In order to do so, the inverter's MPPT system digitally samples the solar array's ever changing power output and applies the proper resistance to find the optimal maximum power point.
Anti-islanding is a protection mechanism that immediately shuts down the inverter preventing it from generating AC power when the connection to the load no longer exists. This happens, for example, in the case of a blackout. Without this protection, the supply line would become an "island" with power surrounded by a "sea" of unpowered lines, as the solar array continues to deliver DC power during the power outage. Islanding is a hazard to utility workers, who may not realize that an AC circuit is still powered, and it may prevent automatic re-connection of devices.
Battery
Although still expensive, PV systems increasingly use rechargeable batteries to store a surplus to be later used at night. Batteries used for grid-storage also stabilize the electrical grid by leveling out peak loads, and play an important role in a smart grid, as they can charge during periods of low demand and feed their stored energy into the grid when demand is high.
Common battery technologies used in today's PV systems include the valve regulated lead-acid battery- a modified version of the conventional lead-acid battery, nickel-cadmium and lithium-ion batteries. Compared to the other types, lead-acid batteries have a shorter lifetime and lower energy density. However, due to their high reliability, low self discharge as well as low investment and maintenance costs, they are currently the predominant technology used in small-scale, residential PV systems, as lithium-ion batteries are still being developed and about 3.5 times as expensive as lead-acid batteries. Furthermore, as storage devices for PV systems are stationary, the lower energy and power density and therefore higher weight of lead-acid batteries are not as critical as, for example, in electric transportation Other rechargeable batteries that are considered for distributed PV systems include sodium-sulfur and vanadium redox batteries, two prominent types of a molten salt and a flow battery, respectively. In 2015, Tesla motors launched the Powerwall, a rechargeable lithium-ion battery with the aim to revolutionize energy consumption.
PV systems with an integrated battery solution also need a charge controller, as the varying voltage and current from the solar array requires constant adjustment to prevent damage from overcharging. Basic charge controllers may simply turn the PV panels on and off, or may meter out pulses of energy as needed, a strategy called PWM or pulse-width modulation. More advanced charge controllers will incorporate MPPT logic into their battery charging algorithms. Charge controllers may also divert energy to some purpose other than battery charging. Rather than simply shut off the free PV energy when not needed, a user may choose to heat air or water once the battery is full.
Monitoring and metering
The metering must be able to accumulate energy units in both directions or two meters must be used. Many meters accumulate bidirectionally, some systems use two meters, but a unidirectional meter (with detent) will not accumulate energy from any resultant feed into the grid. In some countries, for installations over 30 kWp a frequency and a voltage monitor with disconnection of all phases is required. This is done where more solar power is being generated than can be accommodated by the utility, and the excess can not either be exported or stored. Grid operators historically have needed to provide transmission lines and generation capacity. Now they need to also provide storage. This is normally hydro-storage, but other means of storage are used. Initially storage was used so that baseload generators could operate at full output. With variable renewable energy, storage is needed to allow power generation whenever it is available, and consumption whenever it is needed.
The two variables a grid operator have are storing electricity for when it is needed, or transmitting it to where it is needed. If both of those fail, installations over 30kWp can automatically shut down, although in practice all inverters maintain voltage regulation and stop supplying power if the load is inadequate. Grid operators have the option of curtailing excess generation from large systems, although this is more commonly done with wind power than solar power, and results in a substantial loss of revenue. Three-phase inverters have the unique option of supplying reactive power which can be advantageous in matching load requirements.
Photovoltaic systems need to be monitored to detect breakdown and optimize their operation. There are several photovoltaic monitoring strategies depending on the output of the installation and its nature. Monitoring can be performed on site or remotely. It can measure production only, retrieve all the data from the inverter or retrieve all of the data from the communicating equipment (probes, meters, etc.). Monitoring tools can be dedicated to supervision only or offer additional functions. Individual inverters and battery charge controllers may include monitoring using manufacturer specific protocols and software. Energy metering of an inverter may be of limited accuracy and not suitable for revenue metering purposes. A third-party data acquisition system can monitor multiple inverters, using the inverter manufacturer's protocols, and also acquire weather-related information. Independent smart meters may measure the total energy production of a PV array system. Separate measures such as satellite image analysis or a solar radiation meter (a pyranometer) can be used to estimate total insolation for comparison. Data collected from a monitoring system can be displayed remotely over the World Wide Web, such as OSOTF.

Other systems
This section includes systems that are either highly specialized and uncommon or still an emerging new technology with limited significance. However, standalone or off-grid systems take a special place. They were the most common type of systems during the 1980s and 1990s, when PV technology was still very expensive and a pure niche market of small scale applications. Only in places where no electrical grid was available, they were economically viable. Although new stand-alone systems are still being deployed all around the world, their contribution to the overall installed photovoltaic capacity is decreasing. In Europe, off-grid systems account for 1 percent of installed capacity. In the United States, they account for about 10 percent. Off-grid systems are still common in Australia and South Korea, and in many developing countries.
CPV
Concentrator photovoltaics (CPV) and high concentrator photovoltaic (HCPV) systems use optical lenses or curved mirrors to concentrate sunlight onto small but highly efficient solar cells. Besides concentrating optics, CPV systems sometime use solar trackers and cooling systems and are more expensive.
Especially HCPV systems are best suited in location with high solar irradiance, concentrating sunlight up to 400 times or more, with efficiencies of 24-28 percent, exceeding those of regular systems. Various designs of CPV and HCPV systems are commercially available but not very common. However, ongoing research and development is taking place.
CPV is often confused with CSP (concentrated solar power) that does not use photovoltaics. Both technologies favor locations that receive much sunlight and are directly competing with each other.
Hybrid
A hybrid system combines PV with other forms of generation, usually a diesel generator. Biogas is also used. The other form of generation may be a type able to modulate power output as a function of demand. However more than one renewable form of energy may be used e.g. wind. The photovoltaic power generation serves to reduce the consumption of non renewable fuel. Hybrid systems are most often found on islands. Pellworm island in Germany and Kythnos island in Greece are notable examples (both are combined with wind). The Kythnos plant has reduced diesel consumption by 11.2%.
In 2015, a case-study conducted in seven countries concluded that in all cases generating costs can be reduced by hybridising mini-grids and isolated grids. However, financing costs for such hybrids are crucial and largely depend on the ownership structure of the power plant. While cost reductions for state-owned utilities can be significant, the study also identified economic benefits to be insignificant or even negative for non-public utilities, such as independent power producers.
There has also been recent work showing that the PV penetration limit can be increased by deploying a distributed network of PV+CHP hybrid systems in the U.S. The temporal distribution of solar flux, electrical and heating requirements for representative U.S. single family residences were analyzed and the results clearly show that hybridizing CHP with PV can enable additional PV deployment above what is possible with a conventional centralized electric generation system. This theory was reconfirmed with numerical simulations using per second solar flux data to determine that the necessary battery backup to provide for such a hybrid system is possible with relatively small and inexpensive battery systems. In addition, large PV+CHP systems are possible for institutional buildings, which again provide back up for intermittent PV and reduce CHP runtime.
- PVT system (hybrid PV/T), also known as photovoltaic thermal hybrid solar collectors convert solar radiation into thermal and electrical energy. Such a system combines a solar (PV) module with a solar thermal collector in a complementary way.
 - CPVT system. A concentrated photovoltaic thermal hybrid (CPVT) system is similar to a PVT system. It uses concentrated photovoltaics (CPV) instead of conventional PV technology, and combines it with a solar thermal collector.
 - CPV/CSP system. A novel solar CPV/CSP hybrid system has been proposed recently, combining concentrator photovoltaics with the non-PV technology of concentrated solar power (CSP), or also known as concentrated solar thermal.
 - PV diesel system. It combines a photovoltaic system with a diesel generator. Combinations with other renewables are possible and include wind turbines.
 
Floating solar arrays
Floating solar arrays are PV systems that float on the surface of drinking water reservoirs, quarry lakes, irrigation canals or remediation and tailing ponds. These systems are called "floatovoltaics" when used only for electrical production or "aquavoltaics" when such systems are used to synergistically enhance aquaculture. A small number of such systems exist in France, India, Japan, South Korea, the United Kingdom, Singapore and the United States.
The systems are said to have advantages over photovoltaics on land. The cost of land is more expensive, and there are fewer rules and regulations for structures built on bodies of water not used for recreation. Unlike most land-based solar plants, floating arrays can be unobtrusive because they are hidden from public view. They achieve higher efficiencies than PV panels on land, because water cools the panels. The panels have a special coating to prevent rust or corrosion.
In May 2008, the Far Niente Winery in Oakville, California, pioneered the world's first floatovoltaic system by installing 994 solar PV modules with a total capacity of 477 kW onto 130 pontoons and floating them on the winery's irrigation pond. The primary benefit of such a system is that it avoids the need to sacrifice valuable land area that could be used for another purpose. In the case of the Far Niente Winery, it saved three-quarters of an acre that would have been required for a land-based system. Another benefit of a floatovoltaic system is that the panels are kept at a cooler temperature than they would be on land, leading to a higher efficiency of solar energy conversion. The floating PV array also reduces the amount of water lost through evaporation and inhibits the growth of algae.
Utility-scale floating PV farms are starting to be built. The multinational electronics and ceramics manufacturer Kyocera will develop the world's largest, a 13.4 MW farm on the reservoir above Yamakura Dam in Chiba Prefecture using 50,000 solar panels. Salt-water resistant floating farms are also being considered for ocean use, with experiments in Thailand. The largest so far announced floatovoltaic project is a 350 MW power station in the Amazon region of Brazil.
Direct current grid
DC grids are found in electric powered transport: railways trams and trolleybuses. A few pilot plants for such applications have been built, such as the tram depots in Hannover Leinhausen, using photovoltaic contributors and Geneva (Bachet de Pesay). The 150 kWp Geneva site feeds 600V DC directly into the tram/trolleybus electricity network whereas before it provided about 15% of the electricity at its opening in 1999.
Standalone
A stand-alone or off-grid system is not connected to the electrical grid. Standalone systems vary widely in size and application from wristwatches or calculators to remote buildings or spacecraft. If the load is to be supplied independently of solar insolation, the generated power is stored and buffered with a battery. In non-portable applications where weight is not an issue, such as in buildings, lead acid batteries are most commonly used for their low cost and tolerance for abuse.
A charge controller may be incorporated in the system to avoid battery damage by excessive charging or discharging. It may also help to optimize production from the solar array using a maximum power point tracking technique (MPPT). However, in simple PV systems where the PV module voltage is matched to the battery voltage, the use of MPPT electronics is generally considered unnecessary, since the battery voltage is stable enough to provide near-maximum power collection from the PV module. In small devices (e.g. calculators, parking meters) only direct current (DC) is consumed. In larger systems (e.g. buildings, remote water pumps) AC is usually required. To convert the DC from the modules or batteries into AC, an inverter is used.
In agricultural settings, the array may be used to directly power DC pumps, without the need for an inverter. In remote settings such as mountainous areas, islands, or other places where a power grid is unavailable, solar arrays can be used as the sole source of electricity, usually by charging a storage battery. Stand-alone systems closely relate to microgeneration and distributed generation.
- Pico PV systems
 
- Solar street lights
 
- Telecommunication and signaling
 
- Solar vehicles
 
- Solar pumps
 
- Spacecraft
 
- Do it yourself community
 

Costs and economy
The cost of producing photovotaic cells have dropped due to economies of scale in production and technological advances in manufacturing. For large-scale installations, prices below $1.00 per watt were common by 2012. A price decrease of 50% had been achieved in Europe from 2006 to 2011 and there is a potential to lower the generation cost by 50% by 2020. Crystal silicon solar cells have largely been replaced by less expensive multicrystalline silicon solar cells, and thin film silicon solar cells have also been developed recently at lower costs of production. Although they are reduced in energy conversion efficiency from single crystalline "siwafers", they are also much easier to produce at comparably lower costs.
The table below shows the total cost in US cents per kWh of electricity generated by a photovoltaic system. The row headings on the left show the total cost, per peak kilowatt (kWp), of a photovoltaic installation. Photovoltaic system costs have been declining and in Germany, for example, were reported to have fallen to USD 1389/kWp by the end of 2014. The column headings across the top refer to the annual energy output in kWh expected from each installed kWp. This varies by geographic region because the average insolation depends on the average cloudiness and the thickness of atmosphere traversed by the sunlight. It also depends on the path of the sun relative to the panel and the horizon. Panels are usually mounted at an angle based on latitude, and often they are adjusted seasonally to meet the changing solar declination. Solar tracking can also be utilized to access even more perpendicular sunlight, thereby raising the total energy output.
The calculated values in the table reflect the total cost in cents per kWh produced. They assume a 10% total capital cost (for instance 4% interest rate, 1% operating and maintenance cost, and depreciation of the capital outlay over 20 years). Normally, photovoltaic modules have a 25-year warranty.
System cost 2013
In its 2014 edition of the "Technology Roadmap: Solar Photovoltaic Energy" report, the International Energy Agency (IEA) published prices in US$ per watt for residential, commercial and utility-scale PV systems for eight major markets in 2013.

Regulation
Standardization
Increasing use of photovoltaic systems and integration of photovoltaic power into existing structures and techniques of supply and distribution increases the value of general standards and definitions for photovoltaic components and systems. The standards are compiled at the International Electrotechnical Commission (IEC) and apply to efficiency, durability and safety of cells, modules, simulation programs, plug connectors and cables, mounting systems, overall efficiency of inverters etc.
Planning and permit
While article 690 of the National Electric Code provides general guidelines for the installation of photovoltaic systems, these guidelines may be superseded by local laws and regulations. Often a permit is required necessitating plan submissions and structural calculations before work may begin. Additionally, many locales require the work to be performed under the guidance of a licensed electrician. Check with the local City/County AHJ (Authority Having Jurisdiction) to ensure compliance with any applicable laws or regulations.
In the United States, the Authority Having Jurisdiction (AHJ) will review designs and issue permits, before construction can lawfully begin. Electrical installation practices must comply with standards set forth within the National Electrical Code (NEC) and be inspected by the AHJ to ensure compliance with building code, electrical code, and fire safety code. Jurisdictions may require that equipment has been tested, certified, listed, and labeled by at least one of the Nationally Recognized Testing Laboratories (NRTL). Despite the complicated installation process, a recent list of solar contractors shows a majority of installation companies were founded since 2000.
National regulations
In the UK, PV installations are generally considered permitted development and don't require planning permission. If the property is listed or in a designated area (National Park, Area of Outstanding Natural Beauty, Site of Special Scientific Interest or Norfolk Broads) then planning permission is required.
In the US, many localities require a permit to install a photovoltaic system. A grid-tied system normally requires a licensed electrician to make the connection between the system and the grid-connected wiring of the building. Installers who meet these qualifications are located in almost every state. The State of California prohibits homeowners' associations from restricting solar devices.
Although Spain generates around 40% of its electricity via photovoltaic and other renewable energy sources, and cities such as Huelva and Seville boast nearly 3,000 hours of sunshine per year, Spain has issued a solar tax to account for the debt created by the investment done by the Spanish government. Those who do not connect to the grid can face up to a fine of 30 million euros ($40 million USD).
Source of the article : Wikipedia

EmoticonEmoticon